技术热线:400 189 0098
简体中文
  • 简体中文 
  • English
  • 首页
  • 产品中心
    • 高压交流伺服系统
      • 高压交流伺服电机
      • 高压交流伺服驱动器
    • 低压交流伺服系统
      • 低压交流伺服电机
      • 低压交流伺服驱动器
    • 混合式数字步进系统
      • 混合式步进电机
      • 数字步进驱动器
    • 混合式步进伺服系统
      • 混合式步进伺服电机
      • 步进伺服驱动器
    • 行星减速机
      • 标准直齿减速机
      • 标准斜齿减速机
    • 总线驱动器
      • 总线步进驱动器
      • 总线步进伺服驱动器
      • 总线低压伺服驱动器
      • 总线高压伺服驱动器
    • 一体化伺服系统
      • 一体化步进伺服
      • 一体化交流伺服
      • 总线一体化步进伺服
      • 总线一体化交流伺服
    • 丝杠电机
      • 步进丝杆电机
      • 步进伺服丝杆电机
      • 低压伺服丝杆电机
      • 高压伺服丝杆电机
      • 一体化步进伺服丝杆电机
      • 一体化低压伺服丝杆电机
    • 运动控制产品
      • 控制器
      • 总线控制器
    • 配件
  • 行业解决方案
    • 贴标机器人
    • AGV行业
    • 雕刻机、螺丝机行业
    • 机器人行业
    • 直线模组行业
    • 电子半导体行业
    • 印刷包装设备行业
  • 3D建模/资料下载
    • 3D建模下载
    • 产品资料下载
    • 公司资料下载
    • 视频资料
  • 资讯中心
    • 公司资讯
    • 行业资讯
    • 展会动态
  • 关于杰美康
    • 公司介绍
    • 文化理念
    • 企业荣誉
    • 企业风采
    • 厂房厂貌
    • 公司办事处地址
在线商城

步进专家,伺服先锋

杰美康专业服务团队,竭诚为您服务

产品中心

高压交流伺服系统 高压交流伺服系统
  • 高压交流伺服电机
    • 17bit磁编系列
    • 23bit光编系列
  • 高压交流伺服驱动器
    • JAND系列
    • JASD系列
    • JAWD系列
    • JASND系列
低压交流伺服系统 低压交流伺服系统
  • 低压伺服电机
    • 17Bit磁编系列
  • 低压伺服驱动器
    • MCAC系列
混合式数字步进系统 混合式数字步进系统
  • 混合式步进电机
    • 两相步进电机
    • 三相步进电机
    • 两相步进空心轴电机
  • 数字步进驱动器
    • 两相步进驱动器
    • 三相步进驱动器
混合式步进伺服系统 混合式步进伺服系统
  • 混合式步进伺服电机
    • 两相步进伺服电机
    • 两相步进伺服刹车电机
    • 三相步进伺服电机
    • 三相步进伺服刹车电机
  • 步进伺服驱动器
    • 两相步进伺服驱动器
    • 三相步进伺服驱动器
行星减速机 行星减速机
  • 标准斜齿减速机
    • PXF系列
    • PGE系列
    • PDF系列
    • PDZJ系列
  • 标准直齿减速机
    • PLF系列
    • PLE系列
    • PRNF系列
    • PFZ系列
    • PEZ系列
总线驱动器 总线驱动器
  • 总线开环步进驱动器
    • 总线开环步进系列
  • 总线闭环步进驱动器
    • 总线闭环步进系列
  • 总线低压伺服驱动器
    • MCAC低压伺服系列
  • 总线高压伺服驱动器
    • JASD总线高压伺服系列
    • JAND总线高压伺服系列
    • JAWD总线高压伺服系列
一体化伺服系统 一体化伺服系统
  • 一体化步进伺服
    • iHSS系列
    • iESS系列
    • iESSC系列
    • iESSL系列
    • iESSH系列
  • 一体化交流伺服
    • iHSV系列
    • iESV系列
    • iESVL系列
    • iESVH系列
  • 总线一体化步进伺服
    • iHSS系列
    • iESS系列
    • iESSL系列
    • iESSH系列
  • 总线一体化交流伺服
    • iHSV系列
    • iESV系列
    • iESVL系列
    • iESVH系列
丝杆电机 丝杆电机
  • 开环步进丝杆电机
    • 外部驱动式(梯形丝杆)
    • 贯穿式(梯形丝杆)
    • 外部驱动式(滚珠丝杆)
  • 闭环步进丝杆电机
    • 外部驱动式(梯形丝杆)
    • 贯穿式(梯形丝杆)
    • 外部驱动式(滚珠丝杆)
  • 伺服滚珠丝杆电机
    • 低压伺服滚珠丝杆电机
    • 高压伺服滚珠丝杆电机
  • 一体化步进伺服丝杆电机
    • iSS系列
    • iESSC系列
    • iESS系列
    • iESSL系列
  • 一体化低压伺服丝杆电机
    • iSV系列
    • iESV系列
    • iESVL系列
运动控制产品 运动控制产品
  • 控制器
    • 脉冲型运动控制器
  • 总线控制器
    • EtherCAT扩展
    • CAN扩展板
    • IO模块
配件 配件
  • 首页  > 
  • 产品中心 > 
  • 总线高压伺服驱动器 > 
  • JASD总线高压伺服系列 > 
  • EtherCAT高压伺服 > 
  • JASD30002-20B-EC
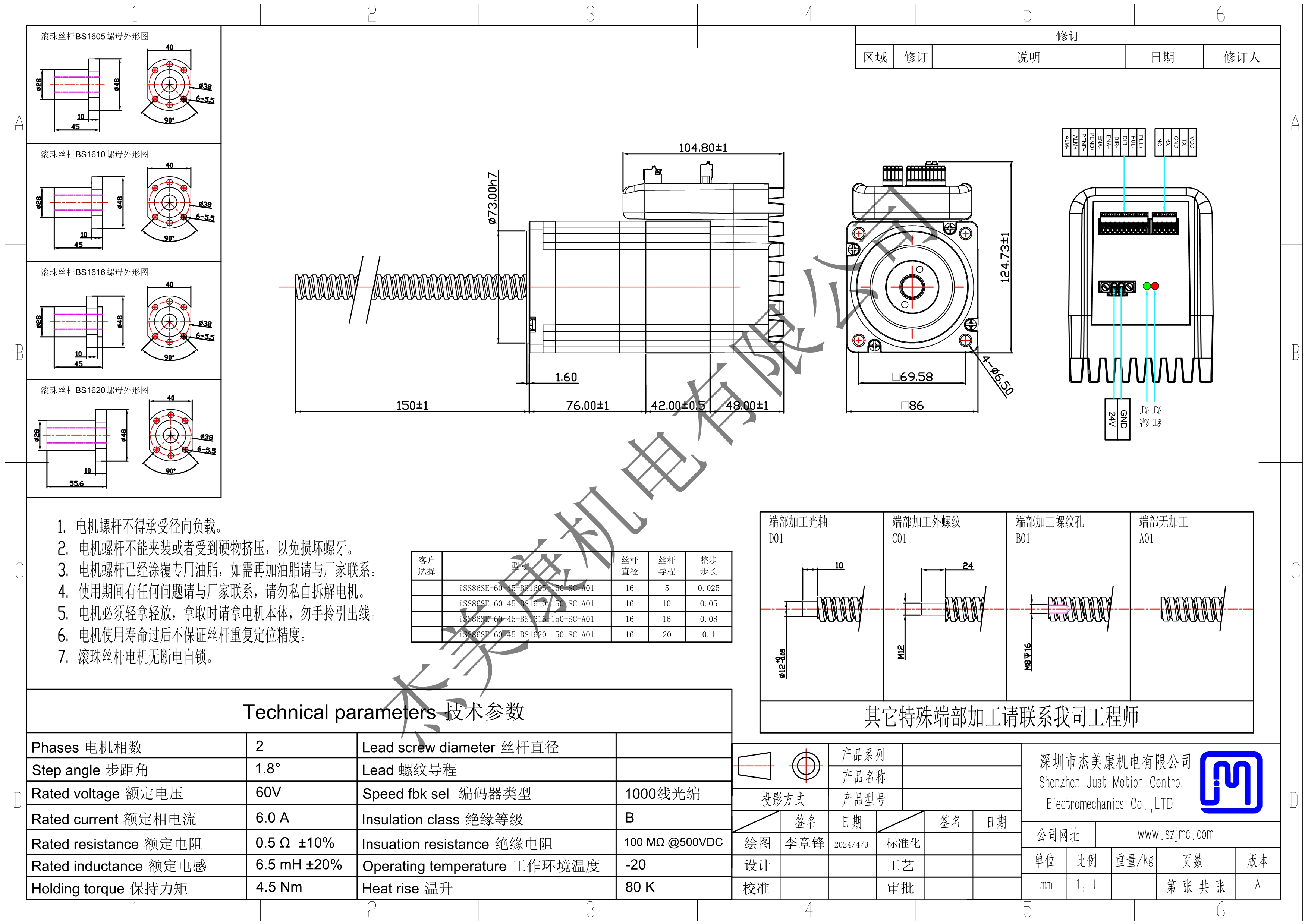
型号:JASD30002-20B-EC
名称:总线高压伺服驱动器


在线购买 →
产品概述机械尺寸接线图 配套 相关
服务热线 400 189 0098
QQ:
QQ:
QQ:
邮箱:info@jmc-motion.com
电话:0755-26509689
传真:0755-26509289
网址:https://www.szjmc.com
关注微信
  • 产品中心
    • 高压交流伺服系统
    • 低压交流伺服系统
    • 混合式数字步进系统
    • 混合式步进伺服系统
    • 行星减速机
    • 总线驱动器
    • 一体化伺服系统
    • 丝杠电机
    • 运动控制产品
    • 配件
  • 行业解决方案
    • 贴标机器人
    • AGV行业
    • 雕刻机、螺丝机行业
    • 机器人行业
    • 直线模组行业
    • 电子半导体行业
    • 印刷包装设备行业
  • 3D建模/资料下载
    • 3D建模下载
    • 产品资料下载
    • 公司资料下载
    • 视频资料
  • 资讯中心
    • 公司资讯
    • 行业资讯
    • 展会动态
  • 关于杰美康
    • 公司介绍
    • 文化理念
    • 企业荣誉
    • 企业风采
    • 厂房厂貌
    • 公司办事处地址
友情链接:杰美康
公司地址:深圳市光明区马田街道金安路佳裕科技园B栋
Copyright © 2015 深圳市杰美康机电有限公司 版权所有 粤ICP备08026231号-5
网站地图 网站技术支持:凯沃德网络
、
服务 联系我们

联系电话

18926420537 胡小姐

18948747261 赵小姐

18925285252 宋小姐

QQ

邮箱

info@jmc-motion.com

微信二维码

技术支持 技术支持

售后咨询

18938971114

售后咨询

18988763251